This is the Windows app named Remote control DLP projector NEC in VBS to run in Windows online over Linux online whose latest release can be downloaded as nec2.zip. It can be run online in the free hosting provider OnWorks for workstations.
Download and run online this app named Remote control DLP projector NEC in VBS to run in Windows online over Linux online with OnWorks for free.
Follow these instructions in order to run this app:
- 1. Downloaded this application in your PC.
- 2. Enter in our file manager https://www.onworks.net/myfiles.php?username=XXXXX with the username that you want.
- 3. Upload this application in such filemanager.
- 4. Start any OS OnWorks online emulator from this website, but better Windows online emulator.
- 5. From the OnWorks Windows OS you have just started, goto our file manager https://www.onworks.net/myfiles.php?username=XXXXX with the username that you want.
- 6. Download the application and install it.
- 7. Download Wine from your Linux distributions software repositories. Once installed, you can then double-click the app to run them with Wine. You can also try PlayOnLinux, a fancy interface over Wine that will help you install popular Windows programs and games.
Wine is a way to run Windows software on Linux, but with no Windows required. Wine is an open-source Windows compatibility layer that can run Windows programs directly on any Linux desktop. Essentially, Wine is trying to re-implement enough of Windows from scratch so that it can run all those Windows applications without actually needing Windows.
SCREENSHOTS
Ad
Remote control DLP projector NEC in VBS to run in Windows online over Linux online
DESCRIPTION
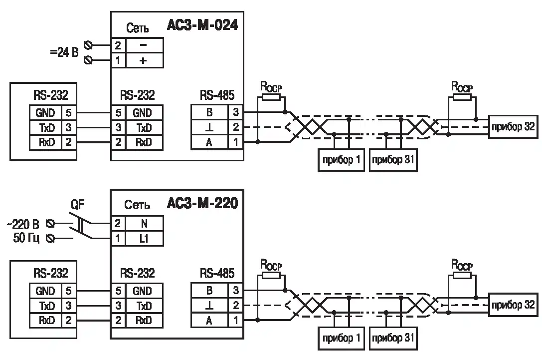
VBS-script for a remote control the projector through the converter RS-485/RS-232 over RS-485 network with voice actions (on-off, volume control, navigation and exit).Since its own software projector does not involve the use of an RS-485 interface and the ability to control the direction of reception and transmission, the necessary converters as converters with auto control, suitable, for example, ovenovskie model AC3-M-024 (without their own address). If necessary, the networking of these projectors require the use of converters RS-485/RS-232 with its own address.
The order of use:
1. Set the port to connect the projector.
2. Run 'regdynwrapx_2.bat' (on Windows Vista/7/8/8.1 to run, right-click the name of the Administrator).
3. Run 'run_NEC_Projector_VTxx_2.cmd'.
Programming Language
VBScript
This is an application that can also be fetched from https://sourceforge.net/projects/remotecontroldlpnecscriptvbs/. It has been hosted in OnWorks in order to be run online in an easiest way from one of our free Operative Systems.





